设为首页
|
加入收藏
手机:13862978163
网站首页
公司简介
产品展示
新闻中心
销售网络
联系我们
电子邮局
产品目录
PRODUCTS
除雾器
静态混合设备
聚合反应换热设备
动态混合设备
过滤设备
专用设备
管用专用小型设备
油罐附件系列
联系方式
CONTACT
地址:启东市汇龙镇中央河中路691号
电话:0513-83325673
传真:0513-83119878
手机:13862978163
邮箱:13862978163@126.com
首页
>>
管用专用小型设备
>> 氧气用点阀箱
氧气用点阀箱
加入时间:
2015-3-30 8:41:40
点击:
次
(一)、OXB/A1-4型氧气用点阀箱
1、用途
本产品适用于金属气焊、气割、火焰表面清理和热加工的氧气管路用户点,也能同氧气汇流排配套使用于上述各种用户点。
2、结构特点
本产品外部保护采用天蓝色烤漆防锈,阀箱接点可供1-4把焊炬或割炬分别使用,也可供同时使用。由于每个接点都分别配有减压器避免了同时使用时压力、流量的波动,内部所有管路均采用不锈钢(1Cr18Ni9Ti)制作。阀箱门接有箱体专用锁,便于集中管理,可避免因误操作造成的能源浪费和泄漏引起的不安全因素。
3、产品技术参数
氧气点阀箱技术参数
型号
项目
OXB/A-1型
OXB/A-2型
OXB/A-3型
OXB/A-4型
正常使用压力MPa
0.1~1.6
0.1~1.6
0.1~1.6
0.1~1.6
流量Nm3/H
15~60
30~120
45~180
60~240
外形尺寸mm
1200×960×320
1200×960×320
1200×960×320
1200×960×320
接头规格
DN10×1
DN10×2
DN10×3
DN10×4
接管法兰规格
PN4.0或PN2.5 DN25
PN4.0或PN2.5 DN25
PN4.0或PN2.5 DN25
PN4.0或PN2.5 DN25
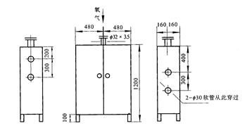
4、OXB/1-4型氧气接点阀箱安装示意图
5、选用说明
当进气压力P≤2.5MPa时,入口配JB/T81-94平焊钢法兰。
当进气压力2.5<P≤4.0MPa时,入口配JB/T82.2-94对焊钢法兰。
请用户订货时注明。
(二)、OXB/B1-3型氧气用点阀箱
1、用途
本产品适用于金属气焊、气割、火焰表面清理和热加工的氧气管路用户点,也能同氧气钢瓶组配套使用于上述各种用户点。
2、结构特点
本产品外部保护采用天蓝色烤漆防锈,阀箱接点可供1-3人分别使用,也可供同时使用。所用仪表可通过阀箱面板窥视孔直接观察,内部所有管路均采用不锈钢(1Cr18Ni9Ti)制作;阀箱门接有箱体专用锁,便于集中管理,可避免因误操作造成的能源浪费和泄漏引起的不安全因素。
3、产品技术参数
氧气点阀箱技术参数
型号
项目
OXB/B-1型
OXB/B-2型
OXB/B-3型
正常使用氧气压力MPa
0.8~1.6
0.8~1.6
0.8~1.6
流量Nm3/H
15~30
30~45
45~100
外形尺寸mm
1000×500×240
1000×500×240
1000×500×240
接头规格
见附图
见附图
见附图
安装示意图
注意事项
本产品在安装过程中请注意进出气口不可接反,发现堵塞应清洗,使用一年后应进行全面检修。
上一页:
内外筒式乙炔回火防止器
下一页:
消声器
[ 其它相关文章 ]
吸顶式喷淋器(XYQ-1003型..
消声器
挂壁式洗眼器(XYQ-1001型..
SQ蒸汽分水器
罐下采样器
挂壁式喷淋器(XYQ-1002型..
氧气阻火管
煤气安全阀箱
南通沃尔驰石化工程有限公司 地址::启东市汇龙镇中央河中路691号 邮编:226200
电话:0513-83325673 传真:0513-83119878 手机:13862978163
E-mail:13862978163@126.com
除雾器
|
纤维除雾器
|
高效纤维除雾器