设为首页加入收藏

手机:13862978163
产品目录PRODUCTS
联系方式CONTACT

地址:启东市汇龙镇中央河中路691号
电话:0513-83325673
传真:0513-83119878
手机:13862978163
邮箱:13862978163@126.com
首页 >> 过滤设备 >> 活性碳过滤器
活性碳过滤器

加入时间:2015-3-28 13:55:56  点击:

产品特性
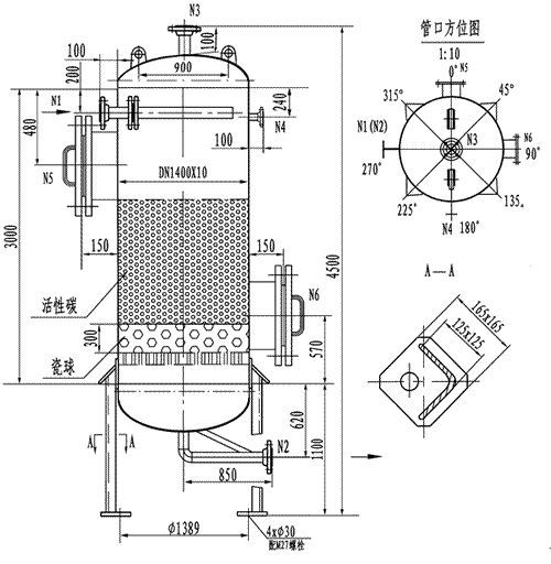
  活性碳过滤器内装8-10目颗粒状活性碳,一般石化行业中用于双脱装置,水处理车间等。活性碳有煤质碳、果壳碳或椰壳碳。它主要去除流体中的有机物,胶体化合物和硫化物,余氯等杂质,属于吸附过滤方式。
活性碳吸附饱和后无法通过反冲洗再生,必须及时更换,我公司在石油、化工、水处理等行业均有比较成熟的实例。各种技术参数不尽相同,请将处理量、工作压力、粘度、密度、温度等参数、传真或致电。
本公司将为你提供最合适的设备形式。
望来电询问
其主要典型结构如下 

 

上一页:FM金属滤芯
下一页:吸吮式自清洗过滤器
[ 其它相关文章 ]

 

南通沃尔驰石化工程有限公司 地址::启东市汇龙镇中央河中路691号 邮编:226200
电话:0513-83325673 传真:0513-83119878 手机:13862978163
E-mail:13862978163@126.com 除雾器 | 纤维除雾器 | 高效纤维除雾器