设为首页加入收藏

手机:13862978163
产品目录PRODUCTS
联系方式CONTACT

地址:启东市汇龙镇中央河中路691号
电话:0513-83325673
传真:0513-83119878
手机:13862978163
邮箱:13862978163@126.com
首页 >> 专用设备 >> 填料式管道自动补偿器
填料式管道自动补偿器

加入时间:2015-3-28 15:10:21  点击:

一、产品概述
填料式管道自动补偿器是我公司采用先进技术基础上自行开发研制而成的新型补偿装置,该产品由于其补偿量
大,特别适用于长距离直线敷设的管网,它与传统的热力管道敷设的补偿器(方形、波纹形、球形)相比,具有体积小、补
偿能力大、安装方便、密封性能可靠、使用寿命长、成本低等显著优点,而逐渐被各大厂家所使用,特别在电力、城市供
暖、石油化工等行业具有广阔的应用前景。
二、技术指标
最高工作温度:≤250℃ 公称压力:≤2.5MPa
标准补偿量:-20~300mm 适用介质:热水、蒸汽、热油等
三、工作原理
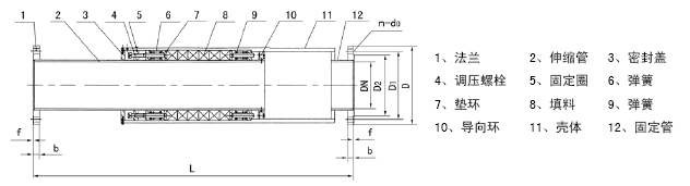
填料自动管道伸缩补偿器(见结构图),它主要由伸缩管、密封盖、调压螺栓、弹簧、固定圈,导向块及壳体组成。
使用时,可采用伸缩管及固定管端的法兰直接开始热胀或冷缩,可通过两侧的弹簧自动补偿填料的松动,使填料所需预压
力,从而达到密封的目的。另外,考虑到介质进入管道时,冷热变化会产生压力波动,为防止补偿器会产生径向窜动,我
们在补偿中设计特殊的导向环,导向环上又具有若干个平衡孔,以平衡介质的压力。
四、产品结构及连接尺寸

五、性能特点
1、补偿量大,标准补偿量为-20~300mm,并可按用户需要设计。
2、补偿器的伸缩管采用不锈钢制作,加以精磨工艺,不仅具有良好的防腐蚀能力,而且提高了表面的护磨损能力。
3、管道的联接可采用法兰或直接对焊联接,结构紧凑,占用空间小,安装方便。
4、精心设计的弹簧力是通过大量实验而得出的,因而具有密封性能优越,永不泄漏的优点。
5、填料为我厂特殊研制开发的,能适用于高温高压的管道密封。

上一页:硫封器
下一页:高效有机蒸汽吸附装置
[ 其它相关文章 ]

 

南通沃尔驰石化工程有限公司 地址::启东市汇龙镇中央河中路691号 邮编:226200
电话:0513-83325673 传真:0513-83119878 手机:13862978163
E-mail:13862978163@126.com 除雾器 | 纤维除雾器 | 高效纤维除雾器