一、概述
LF系列硫封器是我公司和相关炼油行业研究所及设计院针对国内产口的缺点,吸收国外同类产品的优点所转化的一种
新型硫封,可广泛用于炼油、化工、天然气、钢铁、化肥等行业的硫磺回收装置。
二、产品特点
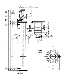
1、液硫入口为带“V型”过滤网的“十”型夹套结构,既可对液硫进行过滤防止因系统设备内的大颗粒固体(如脱落
在衬里或腐蚀物)堵塞设备或管道;又可避免在液硫入口堵塞时的在线疏通。
2、液硫入口内硫管部分为可拆卸式,实现开工时装填固硫快速建立硫封,避免开工未建立硫封造成有一丝一毫毒气
的泄露;同时可在停工时对内硫管腐蚀的检修或者堵塞时的清理。
3、硫封筒底部采用可拆卸盲法兰结构,实现停工时底部觉积物的清理。
4、可视缓冲器可实现液硫流动状态的在线监测,使操作者随时监测液硫入口及出口系统是否流动畅通。检查口可实
现硫封筒出口的在线疏通。
5、该硫封器采用全夹套式蒸汽保温,高点注气、低点排水,实现无“死角”保温。
6、液硫入口及硫封筒出口管采用3°坡度,便于液硫流动。
三、型号标注

四、操作条件
硫封筒及缓冲器;液硫
温度:350℃(max)
夹套:蒸汽
温度:≤200℃(max)
压力:1.0MPa(max)
五、说明
1、根据用户的要求调整液硫管道的规格、开口方位等。
2、根据用户要求调整液硫管道入口的坡度。
3、法兰的连接尺寸采用HG20615标准:亦可按用户要求采用其
它法兰标准。
六、外型尺寸(见结构简图)

 |